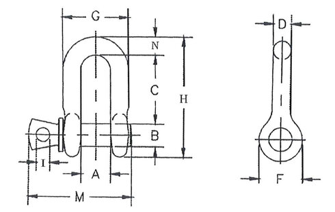
Шегел тип D с винт

Шегели, одобрени за повдигане

покажи повече

Part code:

Шегели, одобрени за повдигане

  • Особености: RFID-подготовка
  • Материал: Стомана
  • Маркировка: Съгласно релевантният стандарт, CE - маркировка
  • Работна температура: -20 - (+)200°C
  • Покритие: Горещо поцинковани
  • Стандарт: US. FED. SPEC. RR-C-271F
  • Коефицент на безопасност: 6:1