Релсов плъзгач с регулируеми шайби и зъбна предавка

  • Плъзгачът се движи по гредата посредством дърпане на ръчната верига.
  • Стандартната дължина на веригата е прибл. 2,5 м,позволявайки плъзгачът да се монтира на около 3,5-4 м височина.
  • 0,5 / 1,0 / 2,0 т могат да бъдат доставени с лебедки на Haklift модели KTHA и VTHA.
  • Предлагат се

покажи повече

Part code:
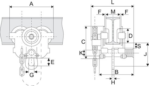
  • Плъзгачът се движи по гредата посредством дърпане на ръчната верига.
  • Стандартната дължина на веригата е прибл. 2,5 м,позволявайки плъзгачът да се монтира на около 3,5-4 м височина.
  • 0,5 / 1,0 / 2,0 т могат да бъдат доставени с лебедки на Haklift модели KTHA и VTHA.
  • Предлагат се и с по-дълга верига.
  • Предназначен за I- и T-греди.
  • Оборудван с гумени накрайници.
  • Лебедката се закача направо към плъзгача с кука или с шегел.
  • Колелцата са снабдени с доживотно смазани лагери.
  • Всеки плъзгач е изпробван с товар с тегло, 1,5 пъти по-голямо от максималната му товароподемност.
  • Към всеки продукт се прилага тест сертификат и декларация за съответствие.
  • Материал: Стомана
  • Маркировка: Съгласно релевантният стандарт, CE - маркировка
  • Покритие: Покритие - боя, оранжева
  • Стандарт: EN 13157
  • Коефицент на безопасност: 4:1