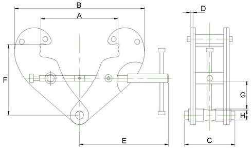
Скоба за греда POWERTEX PBC-S1

POWERTEX Beam Clamp PBC-S1 е издръжлива и лесна за монтиране върху различни видове греди. Скобата за греда е проектирана да осигурява бързи точки за закрепване и повдигане за голямо разнообразие от приложения.

Характеристики:

  • Безопасност - всички скоби за греди

покажи повече

Part code:
Powertex
  • Attribute icon
POWERTEX Beam Clamp PBC-S1 е издръжлива и лесна за монтиране върху различни видове греди. Скобата за греда е проектирана да осигурява бързи точки за закрепване и повдигане за голямо разнообразие от приложения.

Характеристики:
  • Безопасност - всички скоби за греди POWERTEX са тествани за устойчивост на натоварване 2 x WLL
  • Компактна, лека конструкция
  • Конструкция с ниска височина
  • Издръжлива изцяло стоманена конструкция с прахово покритие и черно покритие на шпиндела и ръкохватката
  • Оборудвана с RFID (чип) за лесно обслужване и проверка
  • QR код за достъп на място до многоезични ръководства за потребителя
  • Сертификат за изпитване и декларация за съответствие, приложени към всяка скоба за греда
  • Може да се превърне във версия Blackline чрез залепване на включения сив етикет върху лъскавата табелка

Продуктите Blackline са подходящи за използване в театри и развлекателната индустрия.
  • Маркировка: Съгласно релевантният стандарт, CE - маркировка, POWERTEX, модел, WLL, сериен номер, QR код
  • Работна температура: -10°C до +50°C.
  • Покритие: Черно боядисани.
  • Стандарт: EN 13155, AS 4991
  • Коефицент на безопасност: 5:1