Релсов плъзгач

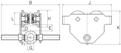
Релсов плъзгач, предназначен за IPE и T греди.

Колелцата са оборудвани с доживотно смазани лагери.

Лебедката може да се закачи направо за ухото на плъзгача посредством кука или шегел.

Към всеки продукт се прилага тест сертификат и декларация за съответствие.

покажи повече

Part code:

Релсов плъзгач, предназначен за IPE и T греди.

Колелцата са оборудвани с доживотно смазани лагери.

Лебедката може да се закачи направо за ухото на плъзгача посредством кука или шегел.

Към всеки продукт се прилага тест сертификат и декларация за съответствие.

  • Материал: Стомана
  • Маркировка: Съгласно релевантният стандарт, CE - маркировка
  • Покритие: Покритие - боя, жълта
  • Стандарт: EN 13157
  • Коефицент на безопасност: 4:1