Aluminium Mini chain blocks

Quality and extra small aluminum chain block for professional use with a standard lifting height of 3 meters. Hooks are equipped with swivels. Other lifting heights are available with short lead times from the stock upon request.

Show more

Part code:

Quality and extra small aluminum chain block for professional use with a standard lifting height of 3 meters. Hooks are equipped with swivels. Other lifting heights are available with short lead times from the stock upon request.

  • Material: Aluminium
  • Marking: According to standard, CE-marked
  • Finish: Painted, white / orange
  • Standard: EN 13157

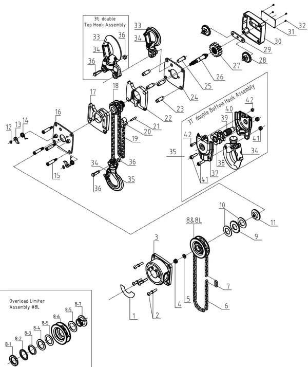
SPARE PARTS

Aluminium Mini chain blocks KTS components blueprint

 

Spare part (product code) Description Suitable for hoist (product code)
KTS250AKO Bottom hook KTS250
KTS250YKO Top hook KTS250
KTS250JAR Brake disc (1 pc) KTS250
KTS250JAR2 Fused brake disc ass'y | Incl. discs and ratchet wheel, ym. 2025 upgrade KTS250
KTS250SAL Hook latch kit (1 pc) KTS250
KTSKK2512 Hand chain | 2.5 x 12 mm KTS250
     
KTS500AKO Bottom hook KTS500
KTS500YKO Top hook KTS500
KTS500JAR Brake disc (1 pc) KTS500
KTS500JAR2 Fused brake disc ass'y | Incl. discs and ratchet wheel, ym. 2025 upgrade KTS500
KTS500SAL Hook latch kit (1 pc) KTS500
KTSKK3516 Hand chain | 3.5 x 16 mm  KTS500
     
KTS1000AKO Bottom hook KTS1000
KTS1000YKO Top hook KTS1000
KTS1000JAR Brake disc (1 pc) KTS1000
KTS1000JAR2 Fused brake disc ass'y | Incl. discs and ratchet wheel, ym. 2025 upgrade KTS1000
KTS1000SAL Hook latch kit (1 pc) KTS1000
KTSKK3516 Hand chain | 3.5 x 16 mm KTS1000
     
KTS2000AKO Bottom hook KTS2000
KTS2000YKO Top hook KTS2000
KTS2000JAR Brake disc (1 pc) KTS2000
KTS2000JAR2 Fused brake disc ass'y | Incl. discs and ratchet wheel, ym. 2025 upgrade KTS2000
KTS2000SAL Hook latch kit (1 pc) KTS2000
KTSKK4822 Hand chain | 4.8 x 22 mm KTS2000
     
KTS3000AKO Bottom hook KTS3000
KTS3000YKO Top hook KTS3000
KTS3000JAR Brake disc (1 pc) KTS3000
KTS3000JAR2 Fused brake disc ass'y | Incl. discs and ratchet wheel, ym. 2025 upgrade KTS3000
KTS3000SAL Hook latch kit (1 pc) KTS3000
KTSKK4822 Hand chain | 4.8 x 22 mm KTS3000
     
TALKE3193 Hoist chain | 3,1 x 9,3 mm KTS250
TALKE4312 Hoist chain | 4,3 x 12 mm KTS500
TALKE56158 Hoist chain | 5,6 x 15,7 mm  KTS1000
TALKE824 Hoist chain | 8 x 24 mm KTS2000
TALKE7120 Hoist chain | 7,1 x 19,9 mm  KTS3000
     
Also other spare parts available with a delivery time, ask our sales for more information
Download Document